第一条 为规范医疗器械分类,根据《医疗器械监督管理条例》,制定本规则。
第二条 我国实行医疗器械分类规则指导下的分类目录制,以分类目录优先。
本规则用于指导分类界定指导原则和医疗器械分类目录的制定和调整,确定新的医疗器械的管理类别。
具体产品的判定主要依据医疗器械分类目录;分类界定指导原则用于某一具体领域产品分类规则的细化;使用医疗器械分类目录和分类界定指导原则无法判定时,最终使用医疗器械分类规则。
第三条 本规则有关用语的含义是:
(一)预期目的
指产品说明书、标签或者宣传资料载明的,使用医疗器械应当取得的作用。
(二)无源医疗器械
不依靠电能或者其他能源,但是可以通过由人体或者重力产生的能量,发挥其功能的医疗器械。
(三)有源医疗器械
任何依靠电能或者其他能源,而不是直接由人体或者重力产生的能量,发挥其功能的医疗器械。
(四)侵入器械
全部或者部分通过体表侵入人体,接触体内组织、血液循环系统、中枢神经系统等部位的医疗器械,包括介入手术中使用的器材、一次性使用无菌手术器械和暂时或短期留在人体内的器械等。本规则中的侵入器械不包括重复使用手术器械。
(五)重复使用手术器械
用于手术中进行切、割、钻、锯、抓、刮、钳、抽、夹等过程,暂时接触人体,不连接任何有源医疗器械,通过一定的处理可以重新使用的无源医疗器械。
(六)植入器械
借助手术全部或者部分进入人体内或腔道(口)中,或者用于替代人体上皮表面或眼表面,并且在手术过程结束后留在人体30日(含)以上或者被人体吸收的医疗器械。
(七)接触人体器械
直接或间接接触患者或者能够进入患者体内的医疗器械,包括通过液路或气路接触患者的医疗器械。
(八)使用时限
1.连续使用时间:医疗器械按预期目的、不间断的实际作用时间;
2.暂时:医疗器械预期的连续使用时间在24小时以内;
3.短期:医疗器械预期的连续使用时间在24小时(含)以上、30日以内;
4.长期:医疗器械预期的连续使用时间在30日(含)以上。
(九)皮肤
完好皮肤表面。
(十)腔道(口)
口腔、鼻腔、食道、外耳道、直肠、阴道、尿道等人体自然腔道和永久性人造开口。
(十一)创伤
各种致伤因素作用于人体所造成的组织结构完整性破坏或者功能障碍。
(十二)组织
人体体内组织,包括骨、牙髓或者牙本质,不包括血液循环系统和中枢神经系统。
(十三)血液循环系统
血管(毛细血管除外)和心脏。
(十四)中枢神经系统
脑和脊髓。
(十五)独立软件
具有一个或者多个医疗目的,无需医疗器械硬件即可完成自身预期目的,运行于通用计算平台的软件。
(十六)具有测量功能的医疗器械
用于测量生理、病理、解剖参数,或者定量测量进出人体的能量或物质的医疗器械,其测量结果需要精确定量,并且该结果的准确性会对患者的健康和安全产生明显影响。
(十七)慢性创面
各种原因形成的长期不愈合创面,包括静脉性溃疡、动脉性溃疡、糖尿病性溃疡、创伤性溃疡、压力性溃疡。不包括口腔溃疡。
(十八)吸收
某一非内源性(外部的)材料或物质,或其分解产物逐步通过细胞和/或组织或被细胞和/或组织同化的作用。
(十九)体表
皮肤或腔道(口)的表面,不包括眼表面。
(二十)医疗器械附件
与医疗器械一起使用的附加部分,目的是使该医疗器械达到预期目的;或符合一些特定用途;或便于使用;或性能增强;或启动某些功能,以便于与其他设备的某些功能集成。但其不是医疗器械的组件。
第四条 医疗器械按照风险程度由低到高,管理类别依次分为第一类、第二类和第三类。
医疗器械风险程度,应当根据医疗器械的预期目的,通过结构特征、使用形式、使用状态、是否接触人体等因素综合判定。
第五条 依据影响医疗器械风险程度的因素,医疗器械可以分为以下几种情形:
(一)根据结构特征的不同,分为无源医疗器械和有源医疗器械。
(二)根据是否接触患者人体,分为接触患者人体器械和非接触患者人体器械。
(三)根据不同的结构特征和是否接触患者人体,医疗器械的使用形式包括:
无源接触人体器械:液体输送器械、改变血液体液器械、医用敷料、侵入器械、重复使用手术器械、植入器械、辅助生殖和避孕器械(不包含重复使用手术器械)、其他无源接触人体器械。
无源非接触人体器械:护理器械、医疗器械清洗消毒器械、其他无源非接触人体器械。
有源接触人体器械:能量治疗器械、诊断监护器械、液体输送器械、电离辐射器械、植入器械、其他有源接触人体器械。
有源非接触人体器械:临床检验器械、独立软件、医疗器械消毒灭菌设备、其他有源非接触人体器械。
(四)根据不同的结构特征、是否接触患者人体以及使用形式,医疗器械的使用状态或者其产生的影响包括以下情形:
无源接触人体器械:根据使用时限分为暂时使用、短期使用、长期使用;接触人体的部位分为皮肤或腔道(口)、创伤部位或组织、血液循环系统或中枢神经系统。
无源非接触人体器械:根据对医疗效果的影响程度分为基本不影响、轻微影响、重要影响。
有源接触人体器械:根据失控后可能造成的损伤程度分为轻微损伤、中度损伤、严重损伤。
有源非接触人体器械:根据对医疗效果的影响程度分为基本不影响、轻微影响、重要影响。
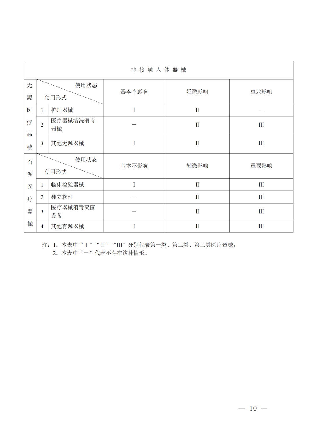
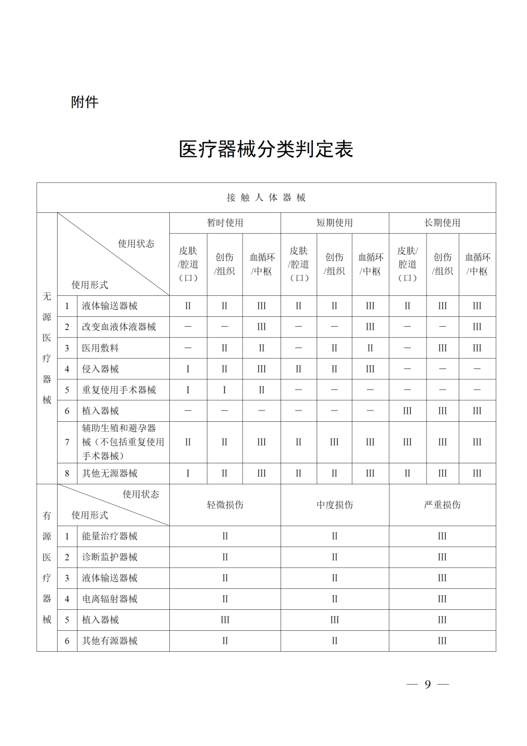
第六条 医疗器械的分类应当根据医疗器械分类判定表(见附件)进行分类判定。有以下情形的,还应当结合下述原则进行分类:
(一)如果同一医疗器械适用两个或者两个以上的分类,应当采取其中风险程度最高的分类;由多个医疗器械组成的医疗器械包,其分类应当与包内风险程度最高的医疗器械一致。
(二)可作为附件的医疗器械,其分类应当综合考虑该附件对配套主体医疗器械安全性、有效性的影响;如果附件对配套主体医疗器械有重要影响,附件的分类应不低于配套主体医疗器械的分类。
(三)监控或者影响医疗器械主要功能的医疗器械,其分类应当与被监控、影响的医疗器械的分类一致。
(四)以医疗器械作用为主的药械组合产品,按照第三类医疗器械管理。
(五)可被人体吸收的医疗器械(不包括医用敷料),按照第三类医疗器械管理。
(六)对医疗效果有重要影响的接触人体器械,按照第三类医疗器械管理。
(七)医用敷料如果有以下情形,按照第三类医疗器械管理,包括:预期具有防组织或器官粘连功能,用于体内创面,或用于慢性创面。
(八)包含新型生物材料的无源接触人体器械,按照第三类医疗器械管理。
(九)由一种或几种物质组成并通过口服进入胃或下消化道实现其预期目的的无源接触人体器械,按照第三类医疗器械管理。
(十)用于辅助决策的人工智能医用软件,如提供病灶特征识别、病变性质判定、用药指导、治疗计划制定等临床诊疗建议,按照第三类医疗器械管理。
(十一)以无菌形式提供的医疗器械,其分类应不低于第二类。
(十二)通过牵拉、撑开、扭转、压握、弯曲等作用方式,主动施加持续作用力于人体、可动态调整肢体固定位置的矫形器械(不包括仅具有固定、支撑作用的医疗器械,也不包括配合外科手术中进行临时矫形的医疗器械或者外科手术后或其他治疗中进行四肢矫形的医疗器械),其分类应不低于第二类。
(十三)具有测量功能的医疗器械,其分类应不低于第二类。
(十四)如果医疗器械的预期目的是明确用于某种疾病的治疗,其分类应不低于第二类。
(十五)按医疗器械管理的医用阴道凝胶(栓、液体),其分类应不低于第二类。
(十六)按医疗器械管理的重组胶原蛋白类、透明质酸钠类产品,其分类应不低于第二类。
(十七)按医疗器械管理的含有人源或者动物源物质(包括含有其非活性衍生物质)的产品,其分类应不低于第二类。
(十八)接触人体的含纳米材料的医疗器械,其分类应不低于第二类。
(十九)用于辅助生殖的医疗器械,其分类应不低于第二类。
(二十)用于在内窥镜下完成夹取、切割组织或者取石等手术操作的无源重复使用手术器械,按照第二类医疗器械管理。
第七条 体外诊断试剂按照有关规定进行分类。
第八条 国家药品监督管理局负责制定医疗器械分类规则和分类目录,根据医疗器械生产、经营、使用情况,及时对医疗器械的风险变化进行分析、评价,对医疗器械分类目录进行动态调整。
第九条 国家药品监督管理局可以组织医疗器械分类技术委员会制定、调整医疗器械分类目录。
第十条 本规则自202×年×月×日起施行。2015年7月14日公布的《医疗器械分类规则》(原国家食品药品监督管理总局令第15号)同时废止。


一、修订背景和主要过程
2015年7月,原国家食品药品监督管理总局曾发布第15号令《医疗器械分类规则》(以下简称“分类规则”),在指导《医疗器械分类目录》(以下简称“分类目录”)的制定和确定新的产品注册类别方面发挥了积极作用。为配合新修订的《医疗器械监督管理条例》的实施,适应科学技术的发展,进一步完善医疗器械分类管理制度体系、规范医疗器械产品类别判定,需要对原分类规则部分条款予以细化完善。
根据国家药监局工作部署,器械标管中心前期向国家药监局器审中心、核查中心、药品评价中心,以及各省药监局、部分医疗器械检测中心及企业征求了修订意见。器械标管中心梳理了收到的意见,并召开研讨会进行了认真研究,充分吸收合理的意见,形成修订草案初稿。
二、主要修订内容
原分类规则包括正文10条和1个附件《医疗器械分类判定表》,修订后分类规则同样包括正文10条和1个附件,体例结构一致,主要涉及语言表述的调整和技术内容的细化。主要修改的内容包括:
(一)对原分类规则第二条进行了完善,以明确分类规则、分类界定指导原则、分类目录这三个层级文件在使用过程中的优先级别。
(二)对原分类规则第三条中的用语、释义进行了修订。参照欧盟、国际医疗器械监管机构论坛(IMDRF)指南等有关分类的情况,完善了“侵入器械”“重复使用手术器械”“植入器械”“接触人体器械”“皮肤”“具有计量测试功能的医疗器械”“慢性创面”的内容,增加了“吸收”“体表”“医疗器械附件”用语的说明。
1.将“侵入器械”中“借助手术全部或者部分通过体表侵入人体”改为“全部或者部分通过体表侵入人体”。删除“借助手术”的描述,将其他形式的侵入性操作(如穿刺诊疗等)中使用的器械也纳入这一使用形式,覆盖穿刺针、采血针等不借助“手术”手段的器械。
2.将“接触人体器械”的含义修订为“直接或间接接触患者或者能够进入患者体内的医疗器械,包括通过液路或气路接触患者的医疗器械”,进一步明确通过液路或气路间接接触患者的器械也属于接触人体器械。
3.将“皮肤”的含义“未受损皮肤表面”改为“完好皮肤表面”,与GB/T 16886.1《医疗器械生物学评价 第1部分:风险管理过程中的评价与试验》中的定义保持一致,使其描述更加准确。
4.将“具有计量测试功能的医疗器械”修改为“具有测量功能的医疗器械”,修改后的含义为“用于测量生理、病理、解剖参数,或者定量测量进出人体的能量或物质的医疗器械,其测量结果需要精确定量,并且该结果的准确性会对患者的健康和安全产生明显影响”。由于计量设备和器具在我国有专门的计量法律法规进行规定,修改后避免产生误解。
5.在“慢性创面”的含义中新增“不包括口腔溃疡”,以避免将口腔溃疡误认为是慢性创面。
(三)明确原分类规则第五条(二)、(三)中接触人体器械是“接触患者人体”。
(四)根据分类目录子目录的划分,对第五条(三)中医疗器械的使用形式进行了完善:将“避孕和计划生育器械”修改为“辅助生殖和避孕器械(不包含重复使用手术器械)”;将“临床检验仪器设备”修改为“临床检验器械”。
(五)对原分类规则第六条判定原则具体内容进行了修改、补充和完善,并对之间的关系和顺序进行了调整。修改内容包括:
1. 修改了医用敷料按照第三类医疗器械管理的情形。①随着医用敷料的发展,越来越多的可吸收材料用于创面敷料,其具备可吸收性,但并不具有较高风险,如含透明质酸钠成分的敷料,在进行生物学评价时,一般不会产生较大的局部炎症反应。因此,对于医用敷料,不再将是否可被人体吸收作为判定为第三类医疗器械的充分条件。②根据分类目录,“接触真皮深层及其以下组织”不再作为三类医用敷料必须满足的情形,因此删除“接触真皮深层及其以下组织”相关描述。③人工皮肤在新版分类目录中划分为13-10组织工程支架材料,因此删除“作为人工皮肤”相关描述。④根据分类界定实际工作经验,新增“用于体内创面”的医用敷料作为第三类医疗器械管理的情形。
2. 将原分类规则中“对医疗效果有重要影响的有源接触人体器械”改为“对医疗效果有重要影响的接触人体器械”。修改本条目是为了对《医疗器械分类判定表》进行补充。对于部分无源接触人体器械,除了需考虑其使用形式、接触时间、接触部位,还需考虑其医疗效果,为保证对医疗效果有重要影响的无源接触人体器械这类产品的安全有效性,将这一类产品明确划分为第三类医疗器械。
3. 根据目前分类现状,增加了包含新型生物材料的无源接触人体器械、由一种或几种物质组成并通过口服进入胃或下消化道实现其预期目的的无源接触人体器械、人工智能医用软件、医用阴道凝胶(栓、液体)、重组胶原蛋白类、透明质酸钠类产品、含有人源或者动物源物质(包括含有其非活性衍生物质)产品、含纳米材料的医疗器械、用于辅助生殖的医疗器械的分类原则。
按照“通用要求”“按第三类管理”“按第三类或第二类管理”和“按第二类管理”的顺序,进行了归类和排序。
(六)第八条中明确了国家药品监督管理局负责制定医疗器械分类规则和分类目录。
(七)由于《关于调整〈医疗器械分类目录〉部分内容的公告》(2022年第25号)已将分类目录“14-10-08液体敷料、膏状敷料”中非无菌提供、通过在创面表面形成保护层,起物理屏障作用,用于小创口、擦伤、切割伤等浅表性创面及周围皮肤的产品由按一类管理调整为按二类管理,调整后除分类目录14-10-02创口贴外,不存在其他按一类管理的医用敷料产品,由于创口贴可根据分类目录判定其管理类别,故经综合考虑,删除医疗器械分类判定表中“医用敷料”按一类医疗器械管理的情形。
三、需要说明的问题
(一)修订草案初稿的第三条(一)沿用“预期目的”这一描述,以保持与《医疗器械监督管理条例》第六条“……评价医疗器械风险程度,应当考虑医疗器械的预期目的、结构特征、使用方法等因素。……”保持一致。
(二)修订草案初稿中未增加“基本不影响、轻微影响、重要影响、轻微损伤、中度损伤、严重损伤”的判断标准。原因在于以下两点:一是分类规则作为分类领域纲领性的文件,规定了各类产品共性的分类原则,因此根据众多产品共性规律的归纳,采用原则性的描述比较合适。判定具体某一类产品属于“基本不影响、轻微影响、重要影响、轻微损伤、中度损伤、严重损伤”中的哪种描述,可参考分类目录。二是由于医疗器械的复杂性,暂无法准确给出适用于所有医疗器械的“基本不影响、轻微影响、重要影响、轻微损伤、中度损伤、严重损伤”的具体判断标准。
(三)分类判定表中接触人体的无源医疗器械的“使用状态”和“使用形式”沿用了原分类规则的划分,未按GB/T 16886.1《医疗器械生物学评价 第1部分:风险管理过程中的评价与试验》进行划分,原因在于以下两点:一是目前无法判定修改后的相关产品类别与原类别的差异,无法验证修改后判定表的合理性。二是GB/T 16886.1是用于材料生物安全性评价,而分类规则是用于医疗器械的分类,二者目的不同,使用时不存在交叉,不同的描述不会对文件的应用造成影响。
(四)前期收到征求意见,建议“用于输送药物的医疗器械,其分类应不低于第二类”。由于分类目录14-07-03给药器可用于药物输送,该类产品目前按一类医疗器械管理。如规定用于输送药物的医疗器械的分类不低于第二类,涉及相关产品的升类,还需要有其他证据,如产品的不良事件多等。由于目前缺少相关资料,暂未针对输送药物器械制定特殊规定。
本规则自20××年×月×日起施行,原分类规则(2015年7月14日原国家食品药品监督管理总局令第15号)同时废止。